计算机组成原理
计算机系统概论
冯·诺依曼计算机的组成
冯·诺依曼计算机是一种采用存储程序方式工作的计算机,由硬件系统和软件系统组成。
硬件系统:由五大部件组成,分别是:运算器、控制器、存储器、输入设备和输出设备。
- 运算器:负责算术运算和逻辑运算。
- 控制器:负责控制整个计算机系统的运行。
- 存储器:存放数据和指令。
- 输入设备:将数据输入到计算机中。
- 输出设备:将计算机处理的数据输出。
软件系统:由系统软件和应用软件组成。
冯·诺依曼计算机体系结构的特点
- 冯·诺依曼计算机主要由五大部件组成,分别是:运算器、控制器、存储器、输入设备和输出设备;
- 冯诺依曼体系结构的指令和数据均采用二进制码表示;
- 指令和数据以同等地位存放于存储器中,均可按地址寻访;
- 指令由操作码和地址码组成,操作码用来表示操作的性质,地址码用来表示操作数所在存储器中的位置;
- 指令在存储器中按顺序存放,通常指令是按顺序执行的,特定条件下,可以根据运算结果或者设定的条件改变执行顺序;
- 机器以运算器为中心,输入输出设备和存储器的数据传送通过运算器。
指令和数据都存于存储器中,计算机区分存储器中的指令和数据主要有两种方法:
- 通过不同时间段来区分指令和数据,即在取指令阶段(或取值微指令)取出的为指令,在执行指令阶段(或相应微程序)取出的即为数据。
- 通过地址来源区分,由 PC 提供存储单元地址的取出的是指令,由指令地址码部分提供存储单元地址的取出的是操作数。
术语:
- 主机:是计算机硬件的主体部分,由 CPU 和主存储器 MM 合成为主机。
- CPU:中央处理器,是计算机硬件的核心部件,由运算器和控制器组成;(早期的运算器和控制器不在同一芯片上,现在的 CPU 内除含有运算器和控制器外还集成了 CACHE)。
- 主存:计算机中存放正在运行的程序和数据的存储器,为计算机的主要工作存储器,可随机存取;由存储体、各种逻辑部件及控制电路组成。
- 存储单元:可存放一个机器字并具有特定存储地址的存储单位。
- 存储元件:存储一位二进制信息的物理元件,是存储器中最小的存储单位,又叫存储基元或存储元,不能单独存取。
- 存储字:一个存储单元所存二进制代码的逻辑单位。
- 存储字长:一个存储单元所存储的二进制代码的总位数。
- 存储容量:存储器中可存二进制代码的总量;(通常主、辅存容量分开描述)。
- 机器字长:指 CPU 一次能处理的二进制数据的位数,通常与 CPU 的寄存器位数有关。
- 指令字长:机器指令中二进制代码的总位数。
计算机硬件的主要技术指标
- 机器字长:指 CPU 一次能处理的二进制数据的位数,通常与 CPU 的寄存器位数有关。
- 运算速度:
- 主频:CPU 内部振荡器的频率,通常以 MHz 或 GHz 为单位。
- 吉普森法:,其中 为第 i 个操作的频率, 为第 i 个操作的时间。
- MIPS:每秒百万条指令数。
- CPI:每条指令的平均时钟周期数。
- FLOPS:每秒浮点运算次数。
- 存储容量:存储器中可存二进制代码的总量。
- 主存容量:
- 存储单元数 MAR × 存储字长 MDR。
- 2^字节数。
- 辅存容量
- 主存容量:
阿姆达尔定律:
其中 为在单个处理器上的执行时间, 为在 个并行处理器上的执行时间, 为原系统中需要改进的部分所占的比例, 为改进后系统中改进部分的执行速度。
计算机的发展历程
硬件技术对计算机更新换代的影响:
- 电子管计算机(1946-1957):40,000 次运算/秒。
- 晶体管计算机(1958-1963):200,000 次运算/秒。
- 中小规模集成电路计算机(1964-1971):1,000,000 次运算/秒。
- 大规模集成电路计算机(1972-1977):10,000,000 次运算/秒。
- 超大规模集成电路计算机(1978-至今):100,000,000 次运算/秒。
世界上第一台电子计算机:ENIAC(1946 年 2 月 14 日)。
E 级计算:每秒可进行百亿亿次运算。
系统总线
总线是连接各个部件的信息传输线,是各个部件共享的传输介质。
总线的分类
- 片内总线:芯片内部的总线。
- 系统总线:计算机各部件之间的信息传输线:
- 数据总线:双向,与机器字长和存储字长有关。
- 地址总线:单向,与存储地址、IO 地址有关。
- 控制总线:双向,与控制信息有关,如终端请求、总线请求等。
- 通信总线:用于计算机系统之间或计算机系统与其他系统之间的通信。
常见的系统总线:
- ISA:Industry Standard Architecture,工业标准体系结构。
- VESA:Video Electronics Standards Association,视频电子标准协会。
- PCI:Peripheral Component Interconnect,外围设备互连。
- PCI-E:PCI Express,外围设备互连扩展。
常见的 IO 总线:
- IDE:Integrated Drive Electronics,集成驱动器电子技术。
- SCSI:Small Computer System Interface,小型计算机系统接口。
- USB:Universal Serial Bus,通用串行总线。
- IEEE-1394:FireWire,高速串行总线。
常见的通信总线:
- RS-232C:Recommended Standard 232C,推荐标准 232C,串行通信总线。
- IEEE-484:通用仪器总线,并行通信总线。
总线的性能指标:
- 总线宽度:数据总线的位数,也就是数据线的根数。
- 传输速率:数据总线的传输速率,通常以 MB/s 为单位。
- 时钟同步:总线的时钟信号同步/异步。
- 总线复用:是否将地址线与数据线复用。
- 信号线数:地址线、数据线、控制线的总数。
- 控制方式:总线的控制方式,如并发、自动、仲裁、逻辑、计数等。
总线结构
单总线结构:CPU 与主存、I/O 设备之间通过同一总线进行数据传输,这样可以提高 CPU 的效率,但是会降低总线的传输速率。

面向 CPU 的双总线结构:其中 M 总线为存储总线,各 I/O 设备通过 I/O 总线与 CPU 通信。但是 I/O 设备与主存之间的数据传输需要通过 CPU,这样会降低 CPU 的效率。

以存储器为中心的双总线结构:在单总线结构的基础上增加一条 CPU 与主存之间的总线,这样可以提高 CPU 的效率,同时也提高了总线的传输速率。

三总线结构:任意时刻只有一条总线处于工作状态,主存总线和 DMA 总线不能同时读取主存,当 CPU 执行 I/O 指令时才会使用 I/O 总线。

另一种三总线结构:CPU 和 Cache 以及一些局部设备通过局部总线连接,Cache 可直接通过系统总线访问主存,其他设备通过拓展总线和拓展总线接口与系统总线连接。

四总线结构:增加一条高速总线与高速设备相连,拓展设备通过拓展总线结构接入高速总线,可以让高速设备与 CPU 的联系更加密切。

总线判优控制
主模块对总线有控制权,从模块响应主设备的总线命令。集中式将控制逻辑集中在一处(如链式查询、计数器定时查询、独立请求方式),分布式将控制逻辑分散在各个设备中。
链式查询方式:当设备发出 BR 信号后,总线控制部件发出 BG 信号,从离 CPU 最近的设备开始逐渐传递,知道到达的接口有总线请求便停止传递 BG 信号,此时该设备获得总线使用权并发出 BS 信号表示占用总线。这种方式易于拓展设备,但对电路故障敏感。

计数器定时查询方式:总线收到 BR 信号后,当 BS=0 未被使用时,总线计数器发出设备地址信号,与地址匹配的设备获得总线使用权,并发出 BS 信号结束计数器。这种方式对电路故障较不敏感,但控制较复杂。

独立请求方式:每个设备均有一对总线请求线 BR_i 和总线同意线 BG_i。总线内有排队电路,可以根据设定的优先次序决定响应的设备。这种方法响应速度快,但控制线非常多。

总线通信控制
总线通信控制是为了解决通信双方协调配合的问题。
总线传输周期:
- 申请阶段(T1):主模块申请,总线仲裁决定。
- 寻址阶段(T2):主模块发出地址和命令。
- 传数阶段(T3):主模块和从模块蒋欢数据。
- 结束阶段(T4):主模块撤销相关信号。
总线通信控制方式:
同步通信:由统一时标控制数据传送。


异步通信:采用应答方式控制数据传送。
- 不互锁方式:主模块发出请求信号后,不等待从模块的应答信号,而是等待一段时间后确认从模块收到信号后撤销请求信号。
- 半互锁方式:主模块发出请求信号后,等待从模块的应答信号,从模块收到请求信号后发出应答信号,主模块收到应答信号后撤销请求信号。
- 全互锁方式:主模块发出请求信号后,等待从模块的应答信号,从模块收到请求信号后发出应答信号,主模块收到应答信号后撤销请求信号,从模块收到撤销信号后撤销应答信号。
波特率:单位时间内传输的二进制数据的位数。
比特率:单位时间内传输的二进制有效数据的位数。

半同步通信:发送方用系统时钟前沿触发,接收方用数据时钟前沿触发。对于不同设备的模块,增加一条等待响应信号 。

分离式通信:上面三种方式在从模块准备数据的时候总线是空闲的,所以可以使用分离式通信进一步提高总线的利用率。分离式通信将一个总线传输周期分为两个子周期,在子周期 1 时,主模块申请占用总线,将命令和地址发送后立即释放总线,从模块在子周期 2 时将数据发送给主模块。
分离式通信的特点:
- 各模块都有权申请占用总线。
- 使用同步方式通信,不需要等待对方应答。
- 各模块准备数据的时候不需要占用总线。
- 总线被占用的时候不会被空闲。
存储器
存储器按存储介质可分为:
- 半导体存储器:TTL(双极型半导体存储器)、MOS,易失性存储器。
- 磁表面存储器:磁头在载磁体上做读写操作,非易失性存储器。
- 磁芯存储器:硬磁材料制成的环状元件,非易失性存储器。
- 光盘存储器:利用激光技术在磁光材料上进行读写操作,非易失性存储器。
存储器按存取方式可分为:
- 随机存储器(RAM):存取时间与地址无关,断电后数据丢失。
- 静态 RAM(SRAM):触发器原理,存取速度快,价格高,主要用于缓存。
- 动态 RAM(DRAM):电容原理,存取速度慢,价格低,主要用于主存。
- 只读存储器(ROM):只读,断电后数据不丢失。
- PROM:可编程只读存储器,通过熔丝方式编程,只能一次性编程。
- EPROM:可擦除可编程只读存储器,通过紫外线擦除。
- EEPROM:电可擦除可编程只读存储器。
- Flash Memory:闪存,具有 EEPROM 的特点,但是擦写速度更快。
- 串行访问存储器:存取时间与地址有关,断电后数据不丢失。
- 顺序存取存储器:磁带存储器,必须从头开始按顺序读取。
- 直接存取存储器:磁盘存储器,先找到数据所在的磁道,再顺序读取。
存储器按作用可分为:
- 主存储器:可以直接和 CPU 交换信息。
- RAM:静态 RAM、动态 RAM。
- ROM:PROM、EPROM、EEPROM。
- Flash Memory:闪存。
- Cache Memory:高速缓冲存储器,存放 CPU 频繁访问的数据和指令。
- 辅助存储器:磁盘、磁带、光盘等,用于长期存储数据。
存储器的层次结构:
| 类型 | 位置 | 速度 | 容量 | 价格 |
|---|---|---|---|---|
| 寄存器 | CPU | 快→慢 | 小→大 | 高→低 |
| 缓存 | ||||
| 主存 | 主机 | |||
| 磁盘 | 辅存 | |||
| 光盘 | ||||
| 磁带 |
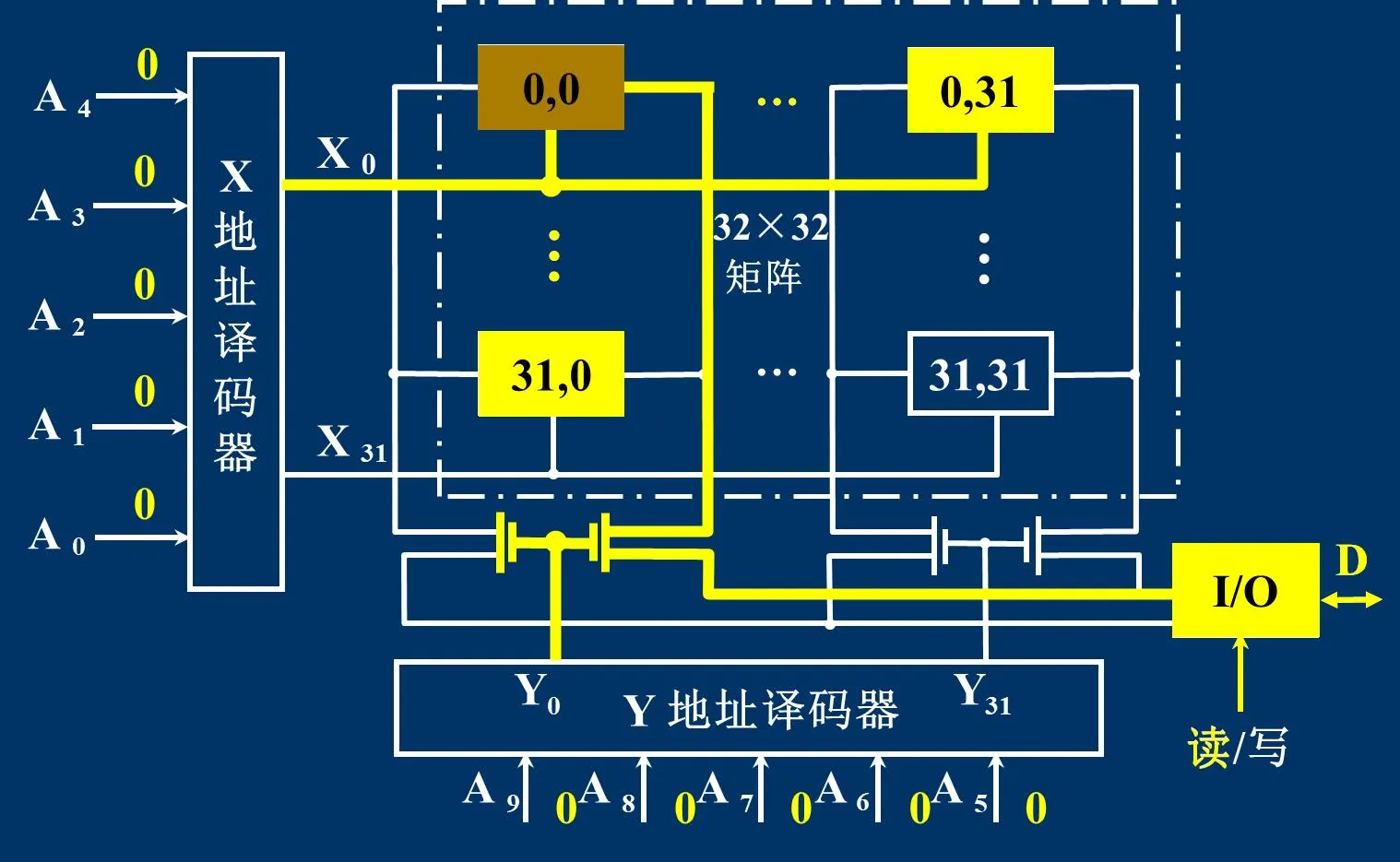
主存储器
一个八位二进制数表示一个字节,存储器可按照字节地址和字地址编码。
以下表 IBM 370 为例,其字长为 32 位,字地址为该字的高位字节地址。若地址线为 24 根,则其按字节寻址范围为 2^24=16M,按字寻址为 4M。
| 字地址 | 字节地址 | |||
|---|---|---|---|---|
| 0 | 0 | 1 | 2 | 3 |
| 4 | 4 | 5 | 6 | 7 |
| 8 | 8 | 9 | 10 | 11 |
再以下表的 PDP-11 为例,其字长为 16 位,字地址为该字的低位字节地址。若地址线为 16 根,则其按字节寻址范围为 2^16=64K,按字寻址为 32K。
| 字地址 | 字节地址 | |
|---|---|---|
| 0 | 1 | 0 |
| 2 | 3 | 2 |
| 4 | 5 | 4 |
主存的技术指标:
- 存储容量:主存存放二进制代码的总位数。存储容量=存储单元个数 × 存储字长。
- 存储速度:
- 存储时间:存储器的访问时间,分为读取时间和写入时间。
- 存储周期:连续两次独立的存储器操作的最小时间间隔。
- 存储器带宽:单位时间存储器存取的信息量。
存储芯片的片选
如图,用 32 片 16K×1 位的存储器构成一个 64K×8 位的存储器,当地址为 65535 时,最右侧 8 篇的片选有效。

半导体存储芯片的译码驱动方式:
线选法:用一根字选择线直接选中一个存储单元的所有位。结构简单但是线数多。

重合法:用两个译码器分别选中矩阵的行和列,选中一个存储单元的一个位。线数少但是结构复杂。

动态 RAM 的刷新:由于电容的漏电,需要定时刷新电容的电荷。
- 集中刷新:一段时间内集中刷新所有存储单元。在刷新期间不能进行读写操作。
- 分散刷新:在每个存取周期中刷新一行存储单元。刷新时间分散,但存取周期变长了。
- 异步刷新:充分利用最大刷新周期,例如最大刷新周期为 2ms,存储芯片为 128×128,则可以每隔 2ms÷128=15.625μs 刷新一行。如果将刷新时间安排在 CPU 译码阶段,则可以完全不影响读写操作。
存储器与 CPU 的连接
存储器的校验
编码的最小距离:任意两组合法代码之间二进制位数的最少差异编码的纠错、检错能力与编码的最小距离有关。即:
其中 为编码的最小距离, 为检测错误的位数, 为纠正错误的位数。
设欲检测 位二进制代码,需要添加 位校验码,则汉明码满足关系:
设 位代码自左向右依次编码为第 位,则汉明码的校验位 分别安插在第 位上,且:
- 检测的 小组包含第 位
- 检测的 小组包含第 位
- 检测的 小组包含第 位
- 检测的 小组包含第 位
这种划分的特点是:
- 每个 小组检测的第 是其他小组都没有的
- 每两个小组 共同检测的 是其他两小组都没有的
- 每三个小组 共同检测的 是其他三小组都没有的
- 以此类推
若使用配偶原则(偶校验),则校验位应使得每个 小组中 1 的个数为偶数;若使用奇校验,则校验位应使得每个 小组中 1 的个数为奇数。
例如对于 0101,按偶校验配置的汉明码为:
| 序号 | 1 | 2 | 3 | 4 | 5 | 6 | 7 |
|---|---|---|---|---|---|---|---|
| 数据 | 0 | 0 | 1 | 0 | |||
| 0 | 1 | 0 |
汉明码的纠错过程:
对传输后的汉明码形成新的检测位 , 由原小组内 1 的个数决定,若检测位 与传输后的检测位 不同,则说明出现错误。如果使用偶校验,那么出错的那一位即为第 位,将其翻转即可。
提高访存速度的措施
- 采用高速器件
- 采用层次结构:Cache-主存
- 调整主存结构
单体多字系统
多体并行系统
- 高位交叉:各个体并行工作
- 低位交叉:各个体轮流编址
高速缓存存储器
主存和缓存的编址:

Cache 性能指标:
- 命中率:,其中 为 Cache 命中次数, 为 Cache 不命中次数。
- 平均访问时间:,其中 为 Cache 访问时间, 为主存访问时间。
- Cache 利用效率:e=访问 Cache 的时间 ÷ 平均访问时间。
- 加速比:s_p=无 Cache 的时间 ÷ 平均访问时间。
Cache 写策略:
- 写直达法:写 Cache 同时写主存。
- 写回法:写 Cache 不写主存,当 Cache 被替换时再写回主存。需要再增加一个脏位标志。
Cache-主存地址映射
直接映射:每个缓存块 可以和若干个主存块 对应,,其中 为 Cache 块数。但每个主存块 只会和一个缓存块 对应。

全相联映射:主存的任一块可以映射到缓存的任一块。

组相联映射:主存的任一块只能映射到缓存的某一组。

替换策略
- 先进先出(FIFO):最先进入的块最先被替换。
- 最近最少使用(LRU):最近最少使用的块被替换。
- 随机法:随机选择一个块替换。
辅助存储器
磁表面存储器的主要技术指标:
- 记录密度:,其中 为道密度, 为道距。
- 存储容量:,其中 为盘面数, 为磁道数, 为每个磁道的二进制代码数。
- 平均寻址时间:平均寻道时间+平均等待时间。
- 数据传输率:,其中 为数据传输率, 为数据密度, 为磁盘转速。
- 误码率:出错信息位数与总读出信息位数之比。
循环冗余校验码(CRC):
- 待编码数据用多项式 表示,。
- 将信息码组左移 位,得到 ,空出的 位用于拼接校验码。 的位数为 。
- 用 除以生成多项式 ,得到余数为校验码 。 即为 CRC 码。
- 纠错时,将收到的 CRC 码除以 ,若余数为 0 则无错误,否则有错误。
- 对于 (7,4) 码,有以下的出错模式:
余数 000 001 010 100 011 110 111 101 出错位 无 7 6 5 4 3 2 1
输入输出系统
输入输出系统的组成:
- I/O 软件
- I/O 指令:属于 CPU 指令的一部分,一般格式为:操作码+命令码+设备码。
- 通道指令:对具有通道的 I/O 系统专门设置的指令,用以指出数组的首地址、传送字数、操作命令等。
- I/O 硬件
I/O 设备编址方式:
- 统一编址:用取数、存数指令访问 I/O 设备。
- 不统一编址:用专门的 I/O 指令访问 I/O 设备。
设备选址:用设备选择电路识别设备是否被选中。
传送方式:串行或异步。
联络方式:
- 立即响应
- 异步工作采用应答信号
- 同步工作采用同步时标
I/O 设备与主机的连接方式:
- 辐射式连接:每台设备都配有一套控制线路和一组信号线,不便于增删设备。
- 总线连接:设备通过总线与主机连接,便于增删设备。
I/O 接口
I/O 总线上包含:
- 数据线:一般等于存储字长的位数或字符的位数。一般是双向的,或使用两组单向数据线分别用于输入和输出。
- 设备选择线:用于传输设备码,用于选择 I/O 设备。
- 命令线:用于传输命令码,用于控制 I/O 设备。
- 状态线:用于传输 I/O 设备的状态信息。
I/O 接口的功能:
- 选址功能:设备选择电路。
- 传送命令功能:命令寄存器、命令译码器。
- 传送数据功能:数据缓冲寄存器。
- 反映设备状态的功能:设备状态标记。
I/O 接口的分类:
- 按数据传送方式分类:并行接口和串行接口。
- 按功能选择的灵活性分类:可编程接口和不可编程接口。
- 按通用性分类:通用接口和专用接口。
- 按数据传送的控制方式分类:程序型接口和 DMA 型接口。
信息传送控制方式
程序查询方式:CPU 和 I/O 串行工作踏步等待。
程序中断方式:CPU 和 I/O 并行工作,没有踏步等待现象,中断现行程序。
DMA 方式:主存和 I/O 之间有一条直接的数据通道,不中断现行程序,挪用主存存取周期,而 CPU 仍可进行内部运算。
计算机运算方式
无符号数与有符号数
- 无符号数:所有位均用于表示数值,没有符号位。
- 有符号数:最高位为符号位,0 表示正数,1 表示负数。
- 原码:最高位为符号位,其余位表示数值。
- 反码:正数的反码与原码相同,负数的反码为原码除符号位外各位取反。
- 补码:正数的补码与原码相同,负数的补码为反码加 1。
- 移码:正数的移码与原码相同,负数的移码为原码加上 。将补码的符号位取反即可得到移码。
整数原码的定义:
小数原码的定义:
整数补码的定义:
小数补码的定义:
数的定点表示和浮点表示
浮点数表示为 ,其中 为尾数, 为基数, 为阶码。规定计算机中浮点数的尾数为纯小数,即小数点位于数符和第一数值之间。若位数最高位为 1 则为规格化数,规格化数的精度最高。
浮点数的规格化:当基数为 2 时,位数最高位为 1 的数为规格化数。左规:尾数左移,阶码加 1;右规:尾数右移,阶码减 1。
当浮点数尾数为 0 时,按机器零处理。当浮点数阶码小于或等于它所表示的最小数时,按机器零处理。
- 若阶码和位数都用补码表示,则机器零为:X,XXXX;0.0000 和 1,0000;X.XXXX。
- 若阶码用移码,尾数用补码表示,则机器零为:0,0000;0.0000。
十进制数转换为浮点数:整数部分不断除二取余,小数部分不断乘二取整。
IEEE 754 标准:尾数一般为规格化表示(也可以用非规格化表示),非零规格化数的有效位最高位隐含 1。阶码用移码表示
| 类型 | 数符 | 阶符+阶码 | 尾数 | 总位数 | 阶码偏移量 |
|---|---|---|---|---|---|
| 短实数 | 1 | 8 | 23 | 32 | 7FH |
| 长实数 | 1 | 11 | 52 | 64 | 3FFH |
| 临时实数 | 1 | 15 | 64 | 80 | 3FFFH |
IEEE 754 标准浮点数的特殊值:
| 偏移阶码 | 尾数 | 意义 |
|---|---|---|
| 0 | 0 | ±0 |
| 0 | 非 0 | 非规格化数 |
| 1~254 | 任意 | 规格化数 |
| 255 | 0 | ±∞ |
| 255 | 非 0 | NaN |
定点运算
移位运算
| 真值 | 码制 | 添补代码 |
|---|---|---|
| 正数 | 原码、补码、反码 | 0 |
| 负数 | 原码 | 0 |
| 负数 | 补码 | 左移添 0,右移添 1 |
| 负数 | 反码 | 1 |
加法运算
- 整数:
- 小数:
减法运算
- 整数:
- 小数:
其中 可由 取反加 1 得到。
溢出判断
- 一位符号位判断:参与运算的两个数符号相同,但与结果符号不同,则溢出。
- 两位符号位判断:两位符号位不同时则溢出。高位是真正的符号位。
乘法运算
以 0.1101 ×0.1011 为例:
| 部分积 | 乘数 | 说明 |
|---|---|---|
| 0.0000 +0.1101 | 1011 | 初始部分积为 0,乘数为 1 则加被乘数 |
| 0.1101 0.0110 +0.1101 | 1101 | 部分积和乘数同时右移,部分积右移溢出的数补到乘数上 |
| 1.0011 0.1001 +0.0000 | 1 1110 | 乘数为 0 则加 0 |
| 0.1001 0.0100 +0.1101 | 11 1111 | 乘数为 1 则加被乘数 |
| 1.0001 0.1000 | 111 1111 | 最后右移 1 位得到结果 |
原码一位乘:
乘积的符号位由两原码的符号位异或得到。乘积的数值由上面的方法确定。
设 ,则 。
其中 ,分别为 的绝对值。
Booth 算法(补码一位乘):
设 ,则
由上式可知,当 时乘数为正,无需校正;当 时乘数为负,则需要再减去 。
在 意义下,。Booth 算法需要添加一位附加位,初始值为 0,每一步由 的值确定部分积的操作,除了最后一步外,每一步都要右移一位。
| 操作 | ||
|---|---|---|
| 00 | 0 | 部分积右移一位 |
| 01 | 1 | 部分积加 ,然后右移一位 |
| 10 | -1 | 部分积加 ,然后右移一位 |
| 11 | 0 | 部分积右移一位 |
以 为例:
| 部分积 | 乘数 | 附加位 | 说明 |
|---|---|---|---|
| 00.0000 +00.1011 | 10011 | 0 | 初始部分积和附加位均为 0 =10,部分积加 |
| 00.1011 00.0101 00.0010 +11.0101 | 11001 11100 | 1 1 | 部分积右移 1 位 =11,部分积右移 1 位 =01,部分积加 |
| 11.0111 11.1011 11.1101 +00.1011 | 11 11110 11111 | 0 0 | 部分积右移 1 位 =00,部分积右移 1 位 =10,部分积加 |
| 00.1000 | 1111 | 最后一步不移位 |
除法运算
原码除法(恢复余数法):
每次都减去除数,如果结果为负数则加回去,然后被除数和商同时左移 1 位。商的符号位由被除数和除数的符号位异或得到。商的最高位可以用于溢出判断,若为 1 说明溢出,无法继续计算。
原码除法(加减交替法):
恢复余数法在被除数是负数时需要加回除数,比较浪费时间。因为恢复余数和下一次试商的过程合起来是 ,可以化简为 ,所以可以通过下面的方法来减少这一次恢复的操作:
- 当余数 时,上商 1,做 操作。
- 当余数 时,上商 0,做 操作。
浮点运算
加减运算
设两个浮点数 ,其中 为尾数, 为阶码, 为基数。浮点数加减运算需要经过以下步骤:
对阶:将两个数的阶码对齐,先求出两树的阶差,然后将阶码较小的数的尾数右移阶差位。
尾数相加:将对阶后的两个尾数按定点运算的方法相加。
规格化:将尾数规格化。规格化数的判断:当 时,。
| S>0 | 规格化形式 | S<0 | 规格化形式 |
|---|---|---|---|
| 原码 | 0.1XXX | 原码 | 1.1XXX |
| 补码 | 0.1XXX | 补码 | 1.0XXX |
| 反码 | 0.1XXX | 反码 | 1.0XXX |
- 左规:当尾数出现 00.0XXX 或 11.1XXX 时,左规直到符合规格化数的形式。
- 右规:当尾数出现 01.XXXX 或 10.XXXX 时,说明尾数溢出,需要右规一位。
舍入:根据舍入规则舍入。
对阶和右规过程中会造成尾数低位丢失引起精度误差,可以通过舍入方法来提高精度。
- 0 舍 1 入法:丢弃位为 1 时则加 1。
- 恒置 1 法:右移后最低位设为 1。
溢出判断:根据阶码判断是否溢出。
- 阶码为 01,XXXX 时为上溢,需要中断处理。
- 阶码为 10,XXXX 时为下溢,当作机器零处理。